Ниссан - Сам

Note

Показываем видео инструкцию как правильно своими руками заменить передние стойки в автомобиле Nissan Note, 2007 года выпуска.
Nissan Note (Ниссан Ноут) замена передних стоек. ВидеоПоказываем видео инструкцию как правильно своими руками заменить передние стойки в автомобиле Nissan Note, 2007 года выпуска.
Как заменить рычаги и шаровые опоры ГРМ Nissan Note Nissan рекомендует выполнять замену рычагов и шаровых опор Ниссана Ноут каждые 100 000 километр...
Замена шаровой ниссан ноутКак заменить рычаги и шаровые опоры ГРМ Nissan Note Nissan рекомендует выполнять замену рычагов и шаровых опор Ниссана Ноут каждые 100 000 километров, намотанных на спидометре, так как данная
Какое масло лить в АКПП Ниссан Ноут и др., какое масло подойдет в АКПП Ниссан, как проверить уровень масла, порядок самостоятельной замены.
Масло в АКПП Nissan NoteКакое масло лить в АКПП Ниссан Ноут и др., какое масло подойдет в АКПП Ниссан, как проверить уровень масла, порядок самостоятельной замены.
Время от времени приходится менять фары Nissan Note. Посмотрим, как решить эту проблему на вашем Nissan Note.
Как поменять фары на моем Nissan NoteВремя от времени приходится менять фары Nissan Note. Посмотрим, как решить эту проблему на вашем Nissan Note.
Статья-инструкция о том, как снять руль Ниссан Ноут при необходимости своими руками. Подробное описание этапов работы + видео.
Как снять руль Ниссан Ноут.Статья-инструкция о том, как снять руль Ниссан Ноут при необходимости своими руками. Подробное описание этапов работы + видео.
В данной статье рассматриваются стойки стабилизатора на Ниссан Ноут, оригиналы, аналоги, артикул, цены на стойки стабилизатора Ниссан Ноут.
Стойки стабилизатора на Nissan NoteВ данной статье рассматриваются стойки стабилизатора на Ниссан Ноут, оригиналы, аналоги, артикул, цены на стойки стабилизатора Ниссан Ноут.
Необходимые инструменты: съемник пресс Казалось бы — подумаешь подшипник, но входящий в переднюю ступицу подшипник в действительности является важной
Замена ступичного подшипника Nissan NoteНеобходимые инструменты: съемник пресс Казалось бы — подумаешь подшипник, но входящий в переднюю ступицу подшипник в действительности является важной
Замена сцепления Nissan Note 1,4 
Ниссан ноут замена сцепленияЗамена сцепления Nissan Note 1,4 
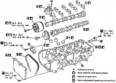
Замена цепи ниссан ноут своими руками Распредвалы — снятие и установка 1. Кронштейны (№№2-5) распредвалов; 2. Кронштейн №1 распредвалов; 3. Распредвал
Замена цепи ниссан ноут своими рукамиЗамена цепи ниссан ноут своими руками Распредвалы — снятие и установка 1. Кронштейны (№№2-5) распредвалов; 2. Кронштейн №1 распредвалов; 3. Распредвал
Обзор вариаторной коробки переключения передач Jatco JF009e на автомобилях Ниссан
Вариатор Jatco JF009e (он же Nissan RE0F08A, RE0F08B) PCVT, MCVT.Обзор вариаторной коробки переключения передач Jatco JF009e на автомобилях Ниссан
Какое масло лить в вариаторе Ниссан Ноут и др., какое масло подойдет в вариатор Ниссан, как проверить уровень масла, порядок самостоятельной замены.
Масло в вариатор Nissan NoteКакое масло лить в вариаторе Ниссан Ноут и др., какое масло подойдет в вариатор Ниссан, как проверить уровень масла, порядок самостоятельной замены.
Замена охлаждающей жидкости на Ниссан Ноут своими руками: оригинальная жидкость, аналоги, периодичность замены, сколько лить, объем, места утечки и...
Как поменять антифриз на Ниссан НоутЗамена охлаждающей жидкости на Ниссан Ноут своими руками: оригинальная жидкость, аналоги, периодичность замены, сколько лить, объем, места утечки и проблемы.
Замена приводного ремня Ниссан Ноут 1.6 АТ своими руками не особо сложная операция. Просто следуйте пошаговой инструкции с фотографиями.
Замена приводного ремня Ниссан Ноут своими руками.Замена приводного ремня Ниссан Ноут 1.6 АТ своими руками не особо сложная операция. Просто следуйте пошаговой инструкции с фотографиями.
Лампы, применяемые на автомобиле Ниссан Ноут/Nissan Note 2004/ Все применяемые лампы Ниссан Ноут 2004 года — по настоящее время
Лампы, применяемые на автомобиле Ниссан НоутЛампы, применяемые на автомобиле Ниссан Ноут/Nissan Note 2004/ Все применяемые лампы Ниссан Ноут 2004 года — по настоящее время
Замена тормозных колодок и дисков на Ниссан Ноут своими руками пройдет у Вас быстро и недорого с нашей пошаговой инструкцией + фото.
Замена тормозных колодок и дисков на Ниссан Ноут своими руками.Замена тормозных колодок и дисков на Ниссан Ноут своими руками пройдет у Вас быстро и недорого с нашей пошаговой инструкцией + фото.
Какие лампочки применяются на Ниссан Ноут, как заменить лампочку своими руками
Замена лампочек на ниссан ноутКакие лампочки применяются на Ниссан Ноут, как заменить лампочку своими руками
Замена задней щётки стеклоочистителя на автомобилях Ниссан Ноут
Автомобильные стеклоочистители, задняя щетка стеклоочистителя для Nissan NoteЗамена задней щётки стеклоочистителя на автомобилях Ниссан Ноут
Как заменить свечи зажигания на Ниссан Ноут своими руками: оригинальные номера, аналоги, периодичность замены, советы, рекомендации, проблемы и реш...
Как поменять свечи зажигания на Ниссан НоутКак заменить свечи зажигания на Ниссан Ноут своими руками: оригинальные номера, аналоги, периодичность замены, советы, рекомендации, проблемы и решение.
Видео, демонстрирующие процесс замены задних пружин на автомобиле Ниссан Ноут
Замена задних пружин ниссан ноутВидео, демонстрирующие процесс замены задних пружин на автомобиле Ниссан Ноут
Nissan Note Ерошка › Бортжурнал › Замена задних колодок на Nissan Note Nissan Note Ерошка › Бортжурнал › Замена задних колодок на Nissan Note Перед
Замена задних колодок на Nissan NoteNissan Note Ерошка › Бортжурнал › Замена задних колодок на Nissan Note Nissan Note Ерошка › Бортжурнал › Замена задних колодок на Nissan Note Перед
Примечание: Левый и правый амортизаторы на Ниссан Ноут заменяются парами. Снятие амортизатора задней подвески Ниссан Ноут 1. Поднимите крышку багаж...
Как поменять задние амортизаторы на ниссан ноутПримечание: Левый и правый амортизаторы на Ниссан Ноут заменяются парами. Снятие амортизатора задней подвески Ниссан Ноут 1. Поднимите крышку багажного